Zhejiang Sehnaider Electric Co., Ltd.
Zhejiang Sehnaider Electric Co., Ltd.
Məhsul
Lmzj1-0.5-80 cari transformatorlar
  • Lmzj1-0.5-80 cari transformatorlarLmzj1-0.5-80 cari transformatorlar

Lmzj1-0.5-80 cari transformatorlar

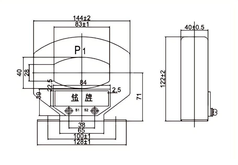
LMZJ1-0.5-80 Cari transformatorlar, elektrik sistemlərində dəqiq ölçmə və qorunma tətbiqləri üçün dəqiq mühəndisdir. Reytinqli cari bir sıra 0,5-80a olan bu transformatorlar müxtəlif sənaye mühitində etibarlı və dəqiq bir performans verir.

LMZJ1-0.5-80 cari transformator yüksək dəqiqliyi, aşağı fazalı bucaq səhvi və əla xətti ilə məlumdur, cari səviyyələrin dəqiq ölçülməsini təmin edir. Bu cari transformatorlar yığcam və asan bir elektrik sistemi konfiqurasiyaları üçün uyğunlaşdırmaq üçün hazırlamaq üçün hazırlanmışdır. Yüksək keyfiyyətli materiallar, lmzj1-0.5-80 cari transformatorlar davamlıdır və davamlı əməliyyat üçün uzunmüddətli sabitlik təmin edir. LMZJ1-0.5-80 Elektrik sistemlərinizin dəqiq cari ölçmə və etibarlı qorunması üçün cari transformator.


Xüsusiyyət

Qiymətləndirilmiş gərginlik 500v
Qiymətləndirilmiş tezlik 50hz
İlkin cərəyan qiymətləndirilib 10a, 12.5a, 15a, 20a, 25a .., 6000a
Reytinqli ikinci cərəyan 5a; 1a
İkinci yük gücü
faktor
0.8 (gecikmə)
Qiymətləndirilmiş çıxdı 2.5va, 5va, 10va, 20Va
Dəqiqlik 0.2; 0.2s; 0.5; 0.5s
İzolyasiya müqaviməti İkinci dolanan ilkin dolanan təcrid müqaviməti
və Yerə ≥20mω
Güc tezliyi
gərginliyə dözmək
İkinci sarışınanın ikinci dərəcəli dolama dəyərinə tab gətirin
və Yer ≥ 3kv

Qaynar Teqlər: Lmzj1-0.5-80 cari transformatorlar
Sorğu göndərin
Əlaqə məlumatı
Kotirovka və ya əməkdaşlıq haqqında hər hansı bir sorğu varsa, river@dahuelec.com elektron poçtuna göndərin və ya aşağıdakı sorğu formasından istifadə edin. Satış nümayəndəmiz 24 saat ərzində sizinlə əlaqə saxlayacaqdır. Məhsullarımıza olan marağınız üçün təşəkkür edirəm.
X
We use cookies to offer you a better browsing experience, analyze site traffic and personalize content. By using this site, you agree to our use of cookies. Privacy Policy
Reject Accept