Yüksək Dəqiqlik Class 0.5 - Tətbiq və izləmə tətbiqləri üçün dəqiq cari ölçmə təmin edir.
Geniş ölçmə aralığı - müxtəlif yük şəraitini yerləşdirmək üçün çox cari nisbətləri dəstəkləyir.
Yığcam və yüngül dizayn - performansa güzəştə getmədən sıx boşluqlarda quraşdırmaq asandır.
Əla istilik sabitliyi - hətta dəyişkən temperatur altında da sabit bir əməliyyat təmin edir.
Güclü izolyasiya və təhlükəsizlik - elektrik enerjisindən etibarlı qorunma təklif edərək sənaye təhlükəsizliyi standartlarına uyğundur.
Çox yönlü tətbiqlər - Elektrik paylama panellərində, sənaye avtomatlaşdırılması və bərpa olunan enerji sistemlərində istifadə üçün idealdır.
Qiymətləndirilən əsas cərəyan: özelleştirilebilir (məs.g., 5a ~ 2000a)
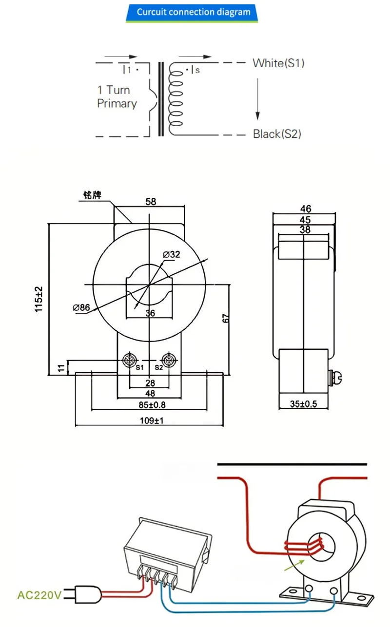
Reytinqli ikinci cərəyan: 5a və ya 1a (standart)
Dəqiqlik Sinifi: 0.5
Tezlik: 50hz / 60hz
İzolyasiya səviyyəsi: 3kv qədər
Əməliyyat temperaturu: -25 ° C-dən + 70 ° C
Güc ölçmə və enerji monitorinqi
Qoruma rölesi və dövrə qırıcıları
Sənaye və Ticarət Elektrik Sistemləri
Günəş və külək enerji qurğuları

Ünvan
Xiangyang Industrial Zone, Yueqing, Zhejiang, Çin
Tel
E-poçt