Zhejiang Sehnaider Electric Co., Ltd.
Zhejiang Sehnaider Electric Co., Ltd.
Məhsul
BH-0.66-50 cari transformator
  • BH-0.66-50 cari transformatorBH-0.66-50 cari transformator

BH-0.66-50 cari transformator

BH-0.66-50 cari transformator, müxtəlif sənaye tətbiqlərində elektrik cərəyanlarının dəqiq ölçülməsi və monitorinqi üçün hazırlanmış dəqiq alətlərdir. 0A və 0.66-ı bir transformasiya nisbətinin qiymətləndirilmiş cərəyanı ilə bu transformatorlar etibarlı və dəqiq cari ölçmə imkanlarını təmin edir.

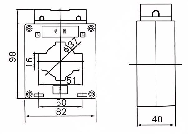
Bağlı epoksi qatranı cari transformator və ya qapalı plastik korpus cari transformator

• Tək faza, iki faza və ya üç mərhələ.

• Qiymətləndirilmiş gərginlik: 0.66KV

CT: 0.2s, 0.2,0.5, 0.5s üçün ölçmə sinifi

• Standart: IEC61869-2

• Növ ad: BH-0.66-50

Bu qapalı quru tipli cari transformator 0.66kv, 0.75kv istifadə olunur. ölçmə və qorunma üçün güc sistemi.

Bu, kubik açar otağında və ya bay quraşdırılmış kommutasiya stansiyalarında istifadə edilmişdir.

BH-0.66-50 cari transformator yüksək temperatur qapalı epoksi qatranından, mühafizə, ilkin və ikincil istifadə saf elektrolitik mis daxilində ölçmə və yüksək keyfiyyətli amorf lehimli nüvəsindən hazırlanmışdır.


Proqramlar:

Güc paylama sistemləri

Enerji idarəetmə sistemləri

Sənaye avadanlıqlarının monitorinqi

Bərpa olunan enerji sistemləri


1. mükafat materialları

Yüksək dərəcəli nüvələr: dəqiq itkilər və yüksək xətti və yüksək xətti üçün dəqiq laminatlı silikon polad və ya nanokristal korpus.  

Sağlam izolyasiya: Epoksi qatranı dizaynları sərt mühitlərdə uzunmüddətli sabitliyi təmin edir.  


2. Üstün performans

Dəqiqlik: Ölçmə üçün 0,2 / 0.5 sinif, 5p / 10p, IEC 61869, 60044, IEEE və ANSI standartlarına uyğun olaraq, 5p / 10p.  

Geniş çeşidli: Xüsusi nisbətləri / tezliyi (50 / 60Hz) olan 0.6KV-36KV sistemlərini dəstəkləyir.  

Aşağı termal yüksəliş: optimallaşdırılmış dizayn, ömrü uzanaraq həddindən artıq istiləşməni azaldır.  

EMC toxunulmazlığı: Etibarlı siqnallar üçün elektromaqnit müdaxiləsinə qarşı qalxanlar.  


3. Xidmət və dəstək

Xüsusi həllər: uyğunlaşdırılmış nisbətlər, ölçülər və ya bağlayıcılar (məsələn, Din Rail, IEC terminalları).  

Qlobal sertifikatlar: IEC, AŞ, ISO və yerli grid təsdiqləri.  

Ömür boyu texniki yardım: 24/7 dəstək, quraşdırma rəhbərliyi və ehtiyat hissələri təchizatı.  

Sürətli çatdırılma: 2-4 həftə ərzində standart məhsullar; Təcili ehtiyaclar üçün sürətli seçimlər.  


Əsas texniki parametrlər

İlkin qiymətləndirilib
cari (a)
Dəqiqlik
siniflər
birləşmə
Reytinqli ikinci çıxış (va) 1S Termal cərəyanı (KA) Rated Dinamik Cari (KA)
0.2 (lər) 0.2 0.5 10p10
5-40 0.2 / 10p10
0.5 / 10p10
/ 10 10 15 90lin 220lin
5-40 100lin 250lin
5-40 20 50
5-40
5-40 36 90
10
5-40 45 100
5-40 56 100
5-40
5-40 80 110
5-40 100 110




Qaynar Teqlər: BH-0.66-50 cari transformator
Sorğu göndərin
Əlaqə məlumatı
Kotirovka və ya əməkdaşlıq haqqında hər hansı bir sorğu varsa, river@dahuelec.com elektron poçtuna göndərin və ya aşağıdakı sorğu formasından istifadə edin. Satış nümayəndəmiz 24 saat ərzində sizinlə əlaqə saxlayacaqdır. Məhsullarımıza olan marağınız üçün təşəkkür edirəm.
X
Biz sizə daha yaxşı baxış təcrübəsi təklif etmək, sayt trafikini təhlil etmək və məzmunu fərdiləşdirmək üçün kukilərdən istifadə edirik. Bu saytdan istifadə etməklə siz kukilərdən istifadəmizlə razılaşırsınız. Məxfilik Siyasəti
Rədd edin Qəbul edin