Zhejiang Sehnaider Electric Co., Ltd.
Zhejiang Sehnaider Electric Co., Ltd.
Məhsul
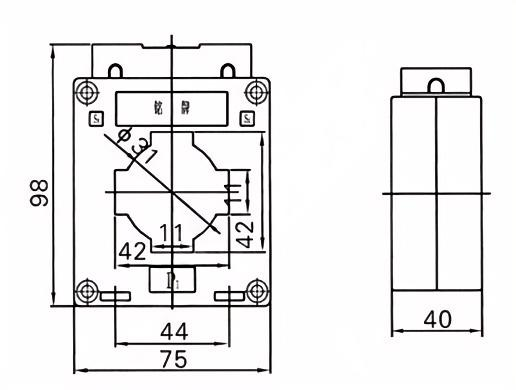
BH-0.66-40 cərəyan transformatorları
  • BH-0.66-40 cərəyan transformatorlarıBH-0.66-40 cərəyan transformatorları

BH-0.66-40 cərəyan transformatorları

BH-0.66-40 cari transformator, aşağı gərginlikli elektrik sistemlərində dəqiq cari ölçmə və enerji monitorinqi üçün hazırlanmış dəqiq mühəndis cihazlardır. 0.66 kv-lik qiymətləndirilmiş bir gərginliklə, bu transformatorlar sənaye, ticarət və kommunal tətbiqlərdə etibarlı performans təmin edir.

Xüsusiyyətlər:

Yüksək dəqiqlik: BH-0.66-40 cari transformatorlar, ölçmə və qorunma üçün dəqiq cari çevrilməni çatdıraraq IEC standartlarına uyğundur.

Sabit performans: ardıcıl oxunuşlar üçün əla xətti və aşağı fazalı yerdəyişmə.

Sağlam tikinti: Alov gecikdirici materiallar təhlükəsizliyi və davamlılığını artırır.


Proqramlar:

Enerji idarəetmə sistemləri

Güc paylama panelləri

Ağıllı sayğaclar və avtomatlaşdırma

Bərpa olunan enerji qurğuları


Əsas texniki parametrlər

İlkin qiymətləndirilib
cari (a)
Dəqiqlik
siniflər
birləşmə
Reytinqli ikinci çıxış (va) Termal cərəyan (ka) Rated Dinamik Cari (KA)
0.2 (lər) 0.2 0.5 10p10
5-40 0.2 / 10p10
0.5 / 10p10
/ 10 10 15 90lin 220lin
5-40 100lin 250lin
5-40 20 50
5-40
5-40 36 90
10
5-40 45 100
5-40 56 100
5-40
5-40 80 110
5-40 100 110


Qaynar Teqlər: BH-0.66-40 cərəyan transformatorları
Sorğu göndərin
Əlaqə məlumatı
Kotirovka və ya əməkdaşlıq haqqında hər hansı bir sorğu varsa, river@dahuelec.com elektron poçtuna göndərin və ya aşağıdakı sorğu formasından istifadə edin. Satış nümayəndəmiz 24 saat ərzində sizinlə əlaqə saxlayacaqdır. Məhsullarımıza olan marağınız üçün təşəkkür edirəm.
X
We use cookies to offer you a better browsing experience, analyze site traffic and personalize content. By using this site, you agree to our use of cookies. Privacy Policy
Reject Accept