Zhejiang Sehnaider Electric Co., Ltd.
Zhejiang Sehnaider Electric Co., Ltd.
Məhsul
BH-0.66-30 cərəyan transformatorları
  • BH-0.66-30 cərəyan transformatorlarıBH-0.66-30 cərəyan transformatorları

BH-0.66-30 cərəyan transformatorları

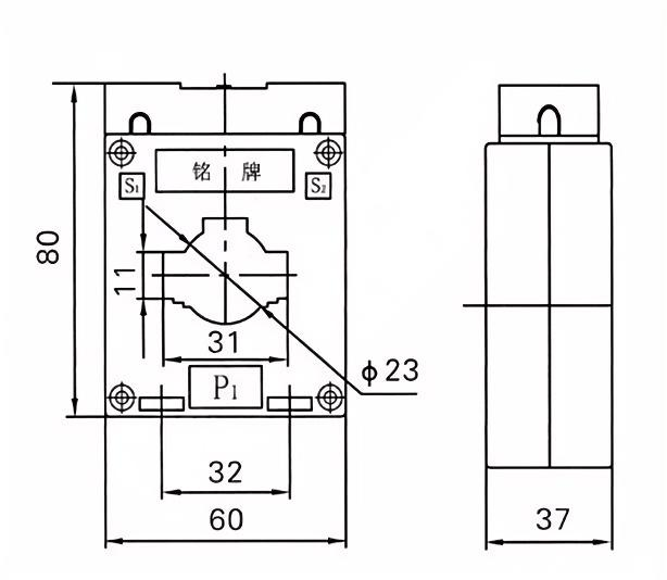
BH-0.66-30 Cari Transformerlər (CTS), aşağı gərginlikli elektrik sistemlərində dəqiq cari ölçmə və monitorinq üçün hazırlanmış dəqiq mühəndisli alətlərdir. 0.66kv qiymətləndirilən izolyasiya gərginliyi ilə bu transformatorlar enerji idarəetmə, qoruyucu relaying və ölçmə tətbiqləri üçün idealdır.

Xüsusiyyətlər:

Yüksək dəqiqlik: Hesablama və izləmə məqsədləri üçün etibarlı performans təmin edən IEC 61869 standartlarına cavab verir.

Kompakt dizaynı: sıx boşluqlarda asan quraşdırma üçün yer qənaət edən tikinti.

Geniş cari sıra: 30a qədər olan ilkin cərəyan, müxtəlif sənaye və kommersiya yükləri üçün uyğundur.

Davamlı materiallar: Sağlam mənzil ətraf mühit amillərinə və mexaniki stresə qarşı müqavimət göstərir.

Təhlükəsizlik Uyğunluğu: BH-0.66-30 indiki transformatorlar beynəlxalq təhlükəsizlik və performans sertifikatlarına uyğundur.


Proqramlar:

Elektrik enerji paylama sistemlərində enerji ölçən.

Dövrə qırıcılarında və röllərdə həddindən artıq qorunma.

Ağıllı ızgaralar və iot əsaslı monitorinq həlləri ilə inteqrasiya.

Texniki xüsusiyyətlər:

Qiymətləndirilən gərginlik: 0.66kv

Tezlik: 50 / 60Hz

Dəqiqlik Sinifi: 0.5, 1.0 (özelleştirilebilir)

Burden: Müştəri tələblərinə görə


Əsas texniki parametrlər

İlkin qiymətləndirilib
cari (a)
Dəqiqlik
siniflər
birləşmə
Reytinqli ikinci çıxış (va) Termal cərəyan (ka) Rated Dinamik Cari (KA)
0.2 (lər) 0.2 0.5 10p10
5-40 0.2 / 10p10
0.5 / 10p10
/ 10 10 15 90lin 220lin
5-40 100lin 250lin
5-40 20 50
5-40
5-40 36 90
10
5-40 45 100
5-40 56 100
5-40
5-40 80 110
5-40 100 110


Qaynar Teqlər: BH-0.66-30 cərəyan transformatorları
Sorğu göndərin
Əlaqə məlumatı
Kotirovka və ya əməkdaşlıq haqqında hər hansı bir sorğu varsa, river@dahuelec.com elektron poçtuna göndərin və ya aşağıdakı sorğu formasından istifadə edin. Satış nümayəndəmiz 24 saat ərzində sizinlə əlaqə saxlayacaqdır. Məhsullarımıza olan marağınız üçün təşəkkür edirəm.
X
Biz sizə daha yaxşı baxış təcrübəsi təklif etmək, sayt trafikini təhlil etmək və məzmunu fərdiləşdirmək üçün kukilərdən istifadə edirik. Bu saytdan istifadə etməklə siz kukilərdən istifadəmizlə razılaşırsınız. Məxfilik Siyasəti
Rədd edin Qəbul edin